逸享酒店插卡取电开关的安装说明

插卡取电开关,又称取电开关、节电开关、节能开关。主要是应用于酒店、宾馆。解决空房状态下,切断房间的电源。从而达到用电安全和节能。

一般插卡取电开关都有三部分电路组成:高低压电源转换部分、识别卡部分和输出部分。其中电源的转换由多种方式,如开关电源式、阻容降压式、变压器式等。

高低压转换部分将交流电通过整流降压为直流低压电源供给识别部分和输出部分

识别卡部分通过检测插入的卡是否符合预设的标准,输出部分得到识别卡部分的符合标准信号,接通交流电源(火线)。此部分根据不同的负载要求,有30A、40A等。

 

下面为大家介绍一下逸享酒店插卡取电开关的安装说明:

逸享酒店插卡取电开关

 

应用范围

逸享酒店插卡取电开关应用范围

 

1.  白炽灯、高压卤素灯 1800W

2.  电机 800VA

3.  LED灯 700VA

4.  电子变压器低压卤素灯 300VA

5.  铁磁变压器低压卤素灯 800VA

6.  带补尝器的电感式镇流器荧光灯 400VA

7.  电子镇流器荧光灯 800VA

 

适用插卡类型:M i f a r e o n e ( M 1 )卡,标准卡尺寸:85.5mm x 54mm

特 点:识别频率为13.56 MH的M1标准射频卡,不识别其它类型13.56 MHz射频卡(如身份证)。

延时时间:30±1秒

 

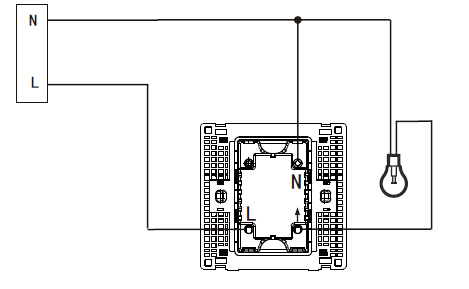
产品接线图

产品接线图

 

注:请严格按接线图接线,以免损坏产品。

 

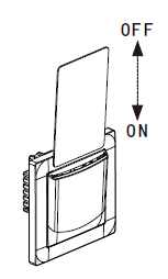
使用方法:将卡由上至下插入槽内,负载接通;取出卡,所接负载延时30±1秒后断电。

使用方法

 

产品安装步骤

 

产品拆卸

产品拆卸

 

2.将开关装入底盒并用螺丝固定

将开关装入底盒并用螺丝固定

 

注:请使用符合国标的底盒,底盒深度要求≥45mm。

 

3.完成接线,将小面板和面板扣入产品

将小面板和面板扣入产品

 

4、注意事项:

M 1卡不能超标弯曲、变形,以免卡内内部电路断裂影响读卡效果。