跳转到主要内容
图像
主导航菜单
显示主导航菜单
隐藏主导航菜单
产品中心
开关插座
Living Now
奥特系列
未莱系列
维翼系列
博轼系列
浅央系列
逸景Plus系列
逸景系列
简悦系列
仕艺系列
智绘系列
博骏系列
悦铂系列
茗画系列
仕艺Pro系列
仕典系列
仕典Plus系列
绮蕴系列
型悦系列
画采系列
淳逸系列
朗淳系列
明智Plus系列
尚超系列
美淳系列
轻艺系列
博蕴系列
新排插
USB夜光快充
智能感应开关
IP55防水插座
智能系统
总线系统
智能家居SCS
智能建筑KNX
智慧酒店
尊宝智慧酒店
智慧照明
尊宝智慧照明
无线系统
L3系列
G9系列
ZigBee无线智能家居
逸景Plus IOT
IOT智能灯
未莱IOT
罗格朗米家蓝牙版智能开关
逸景Plus IOT米家版
未莱IOT米家版
智绘IOT米家版
绮蕴IOT米家版
综合布线
LCS³综合布线系统
光解决方案
铜解决方案
Linkeo C综合布线系统
铜解决方案
低压电器
低压电器元器件
真空断路器
空气断路器
塑壳断路器
隔离开关
自动转换开关
模数化断路器
电涌保护器
配电箱
工控产品
多功能仪表
低压成套开关设备
低压成套柜
楼宇对讲
凯蕴系统
明泰系统
智慧养老
居家养老
机构养老
吊顶电器
吊顶电器
家庭信息网络
家庭信息网络解决方案
UPS不间断电源
UPS不间断电源
线缆管理
工作区线缆解决方案
卡博菲线缆管理系统
桌面插座
升降插座
轨道插座
机柜解决方案
LINKEO服务器机柜/冷通道
LINKEO模块化数据中心解决方案
电源分配与管理
克莱沃PDU
罗格朗母线
克莱沃ATS
力登PDU
力登KVM
解决方案
住宅
门庭/入户花园
客厅
厨房
卧室
走廊和楼梯间
酒店
高档豪华型酒店解决方案
中档型酒店解决方案
经济型酒店解决方案
酒店解决方案
写字楼
工作区
走廊和楼梯间
配电室
数据机房
数据中心
数据中心
工业
工业变配电解决方案
线缆管理解决方案
设备控制解决方案
厂房基础设施解决方案
电力
变电站
市政/农网
终端配电
养老
居家养老
机构养老
配电室
数据机房
绿色节能
案例分享
服务支持
销售与服务网络
联系我们
联系办事处
官方旗舰店
网上商城
电商网点
自媒体
获得支持
技术培训
我要采购
代理授权
产品选型
产品选型网站
电工清单配置
开关面板DIY选型
真伪查询
资料中心
产品手册
产品视频
APP服务
常见问题FAQ
新闻中心
关于罗格朗
关于我们
罗格朗在全球
罗格朗中国
罗格朗历史
企业CSR
我们的品牌
BTicino
卡博菲
克莱沃
尊宝
力登
Server Technology
视得安
加入罗格朗
我们的品牌
BTicino
克莱沃
力登
卡博菲
视得安
联系我们
产品查询
产品中心
开关插座
智能系统
综合布线
低压电器
楼宇对讲
智慧养老
吊顶电器
家庭信息网络
UPS不间断电源
线缆管理
机柜解决方案
电源分配与管理
Living Now
奥特系列
未莱系列
维翼系列
博轼系列
浅央系列
逸景Plus系列
逸景系列
简悦系列
仕艺系列
智绘系列
博骏系列
悦铂系列
茗画系列
仕艺Pro系列
仕典系列
仕典Plus系列
绮蕴系列
型悦系列
画采系列
淳逸系列
朗淳系列
明智Plus系列
尚超系列
美淳系列
轻艺系列
博蕴系列
新排插
USB夜光快充
智能感应开关
IP55防水插座
总线系统
智能家居SCS
智能建筑KNX
智慧酒店
尊宝智慧酒店
智慧照明
尊宝智慧照明
无线系统
L3系列
G9系列
ZigBee无线智能家居
逸景Plus IOT
IOT智能灯
未莱IOT
罗格朗米家蓝牙版智能开关
逸景Plus IOT米家版
未莱IOT米家版
智绘IOT米家版
绮蕴IOT米家版
LCS³综合布线系统
光解决方案
铜解决方案
Linkeo C综合布线系统
铜解决方案
低压电器元器件
真空断路器
空气断路器
塑壳断路器
隔离开关
自动转换开关
模数化断路器
电涌保护器
配电箱
工控产品
多功能仪表
低压成套开关设备
低压成套柜
凯蕴系统
明泰系统
居家养老
机构养老
吊顶电器
家庭信息网络解决方案
UPS不间断电源
工作区线缆解决方案
卡博菲线缆管理系统
桌面插座
升降插座
轨道插座
LINKEO服务器机柜/冷通道
LINKEO模块化数据中心解决方案
克莱沃PDU
罗格朗母线
克莱沃ATS
力登PDU
力登KVM
Living Now
Design Innovation
Perfect planarity and elegant details
查看详情
奥特
为全球化的生活方式而设计
查看详情
未莱
愉悦生活,触手可得
查看详情
维翼
维妙空间 翼无止境
查看详情
博轼
博采众长 逸蕴其中
查看详情
浅央
心中有光 快乐未央
查看详情
逸景Plus
纤薄,出彩
查看详情
逸景
逸于群 景于心
查看详情
简悦
简约致用,悦然安享
查看详情
仕艺
技精于内,艺美于外
查看详情
智绘
智绘生活 美成在久
查看详情
博骏
博见匠心 骏驰无界
查看详情
悦铂
悦享生活 铂金品质
查看详情
茗画
茗香逸韵 画境悠然
查看详情
仕艺Pro
精于臻材 艺予不凡
查看详情
仕典
梦想 无边框
查看详情
仕典Plus
纤薄设计,优雅简约
查看详情
绮蕴
余霞成绮,意蕴悠长
查看详情
型悦
型有度 悦生活
查看详情
画采
画出精彩生活
查看详情
淳逸系列
清灵秀逸
查看详情
朗淳
理想生活,更近一步
查看详情
明智plus
明智 · 乐享生活
查看详情
尚超
尚 · 品生活
查看详情
美淳
归真态度 至淳生活
查看详情
轻艺
轻简飘逸 精艺细致
查看详情
博蕴
博远质存 温蕴悠长
查看详情
排插
安全升级,贴心使用
查看详情
USB夜光快充
轻触点亮此刻美好
查看详情
智能感应开关
感应梦想 智慧生活
查看详情
IP55防水插座
一体式设计 10A五孔 / 16A三孔
查看详情
SCS智能家居控制系统
全面的智能控制解决方案
查看详情
KNX智能建筑控制系统
适用各种不同建筑类型的解决方案
查看详情
完整的酒店客房解决方案
罗格朗助您打造一张酒店专属名片
查看详情
尊宝智慧酒店解决方案
提供全面的客房解决方案
查看详情
罗格朗智慧照明解决方案
开辟城市智慧照明的新篇章
查看详情
尊宝智慧照明解决方案
提供全面的客房解决方案
查看详情
L3系列
至简至美,经典百搭
查看详情
G9系列
盈润丝滑,尊贵典雅
查看详情
逸景Plus IOT
打造更愉悦、更安全、更节能的居住空间
查看详情
罗格朗智能无主灯
从点到线到面,打造家居专属光影艺术
查看详情
未莱IOT
智慧生活面面俱到
查看详情
逸景Plus IOT 米家版
接入米家生态,实现场景联动,轻松打造智慧生活
查看详情
未莱IOT 米家版
接入米家生态,与小米及生态链的智能产品实现互联互通
查看详情
智绘IOT 米家版
接入米家生态,与小米及生态链的智能产品实现互联互通
查看详情
绮蕴IOT 米家版
一键联动智能设备,与小米及生态链的智能产品实现互联互通
查看详情
光缆系统
应用传输速率高达400 Gbps
查看详情
铜缆系统
应用传输速率高达40 Gbps
查看详情
LINKEO C
简单便捷的布线系统
查看详情
真空断路器
性能稳定 应用广泛,主要用于7.2kV和12kV电力系统输配电
查看详情
空气断路器
性能稳定 适用性强,可用于分配电能和保护线路及电源设备。
查看详情
塑壳断路器
内外兼修,全面保护。
查看详情
隔离开关
安全隔离,安全保护。用于低压系统中的电源级、配电级以及终端负载的隔离。
查看详情
自动转换开关
快速切换,稳定安全。用于两路电源的转换,以保证供电的稳定性和安全性。
查看详情
模数化断路器
安全灵活,专业守护,用于终端配电线路的通断与保护。
查看详情
电涌保护器
模块化设计,安全防护。对瞬时过电压的电涌进行防护,保护线路和设备以及人身的安全。
查看详情
配电箱
经典与现代的优雅融合,给用户带来美妙的视觉感受和舒适的使用体验。
查看详情
工控产品
高效控制,有效保护,用于电力系统中接通和分断电路。
查看详情
电力仪表
实时能耗管理,可对多种电量参数进行测量,可兼容到各种自控系统和能效管理系统。
查看详情
低压成套柜
匠心设计,灵动组合,为用户提供完整、高效的低压一级配电解决方案。
查看详情
凯蕴系统
构建了完整的智慧社区和智慧家庭解决方案
查看详情
明泰系统
致力于为用户提供安全、智能、便捷的生活方式
查看详情
居家养老
居家养老解决方案解决老人看护,老人健康管理和社区安全等问题,为老人提供一个安全、舒适、健康和快乐的晚年生活。
查看详情
机构养老
罗格朗机构养老解决方案专门用于公立或私立养老机构中的内部通讯和管理。
查看详情
吊顶电器
享受安全健康厨卫生活
查看详情
家庭信息网络解决方案
畅享无线网络
查看详情
UPS不间断电源
性能稳定,节约能源
查看详情
线缆管理系统
提供便捷的电源和数据传输
查看详情
卡博菲线缆管理系统
快速便捷,节约能耗
查看详情
桌面插座
满足一站式用电需求
查看详情
电动升降插座
无线充电 电动升降
查看详情
可移动轨道插座
自由用电 · 悦享生活
查看详情
LINKEO服务器机柜 & 冷通道
快速部署,灵活拓展。模块化设计,便于拓展,多方位满足需求。
查看详情
LINKEO模块化数据中心解决方案
快速部署,模块安装。集成系统,绿色环保 ,提高用户体验。
查看详情
克莱沃PDU
模块化结构,定制化生产。支持个性化定制以满足用户的独特需求,致力于为每一个服务器机架或者网络机柜提供安全稳定的电力。
查看详情
克莱沃母线
轻装上阵,焕新守护。实时、精准、全面的电力监测,为机房电力的可视化管理提供数据依据。
查看详情
克莱沃ATS
瞬时切换,安全稳定。具有高稳定性、高通用性的电源切换特点,可通过自动切换控制主备路两路输入,一路电源输出,稳定、安全地为电子电气设备提供冗余电源。
查看详情
力登PDU
安全、智能、定制化。力登PDU是数据中心和IT测试实验室的理想之选,被用于数据中心、边缘和物联网等。
查看详情
力登KVM
高视频分辨率,低传输延迟。为各行业的IT测试实验室、数据中心、广播、电信和控制室的IT管理员和基础设施人员提供高性能的KVM和串行控制台切换器来保持其关键性应用程序的运行。
查看详情
解决方案
住宅
酒店
写字楼
数据中心
工业
电力
养老
绿色节能
案例分享
门庭/入户花园
客厅
厨房
卧室
走廊和楼梯间
高档豪华型酒店解决方案
中档型酒店解决方案
经济型酒店解决方案
酒店解决方案
工作区
走廊和楼梯间
配电室
数据机房
数据中心
工业变配电解决方案
线缆管理解决方案
设备控制解决方案
厂房基础设施解决方案
变电站
市政/农网
终端配电
居家养老
机构养老
配电室
数据机房
服务支持
销售与服务网络
获得支持
产品选型
资料中心
联系我们
联系办事处
官方旗舰店
网上商城
电商网点
自媒体
技术培训
我要采购
代理授权
产品选型网站
电工清单配置
开关面板DIY选型
真伪查询
产品手册
产品视频
APP服务
常见问题FAQ
新闻中心
关于罗格朗
关于我们
企业CSR
我们的品牌
加入罗格朗
罗格朗在全球
罗格朗中国
罗格朗历史
BTicino
卡博菲
克莱沃
尊宝
力登
Server Technology
视得安
我们的品牌
BTicino
克莱沃
力登
卡博菲
视得安
联系我们
产品查询
产品中心
开关插座
Living Now
奥特系列
未莱系列
维翼系列
博轼系列
浅央系列
逸景Plus系列
逸景系列
简悦系列
仕艺系列
智绘系列
博骏系列
悦铂系列
茗画系列
仕艺Pro系列
仕典系列
仕典Plus系列
绮蕴系列
型悦系列
画采系列
淳逸系列
朗淳系列
明智Plus系列
尚超系列
美淳系列
轻艺系列
博蕴系列
新排插
USB夜光快充
智能感应开关
IP55防水插座
智能系统
总线系统
智能家居SCS
智能建筑KNX
智慧酒店
尊宝智慧酒店
智慧照明
尊宝智慧照明
无线系统
L3系列
G9系列
ZigBee无线智能家居
逸景Plus IOT
IOT智能灯
未莱IOT
罗格朗米家蓝牙版智能开关
逸景Plus IOT米家版
未莱IOT米家版
智绘IOT米家版
绮蕴IOT米家版
综合布线
LCS³综合布线系统
光解决方案
铜解决方案
Linkeo C综合布线系统
铜解决方案
低压电器
低压电器元器件
真空断路器
空气断路器
塑壳断路器
隔离开关
自动转换开关
模数化断路器
模数化数路器
电涌保护器
配电箱
工控产品
多功能仪表
低压成套开关设备
低压成套柜
楼宇对讲
凯蕴系统
明泰系统
智慧养老
居家养老
机构养老
吊顶电器
吊顶电器
家庭信息网络
家庭信息网络解决方案
UPS不间断电源
UPS不间断电源
线缆管理
工作区线缆解决方案
卡博菲线缆管理系统
桌面插座
轨道插座
升降插座
机柜解决方案
LINKEO服务器机柜/冷通道
LINKEO模块化数据中心解决方案
电源分配与管理
克莱沃PDU
罗格朗母线
克莱沃ATS
力登PDU
力登KVM
解决方案
住宅
门庭/入户花园
客厅
厨房
卧室
走廊和楼梯间
酒店
高档豪华型酒店解决方案
中档型酒店解决方案
经济型酒店解决方案
酒店解决方案
写字楼
工作区
走廊和楼梯间
配电室
数据机房
数据中心
数据中心
工业
工业变配电解决方案
线缆管理解决方案
设备控制解决方案
厂房基础设施解决方案
电力
变电站
市政/农网
终端配电
养老
居家养老
机构养老
配电室
数据机房
绿色节能
住宅产品
商业建筑产品
数据中心产品
案例分享
产品选型 - 无比轻松
了解我们的产品选型工具,您只需点击几下即可轻松选择所需的产品
查看更多
服务支持
销售与服务网络
联系我们
联系办事处
官方旗舰店
网上商城
电商网点
自媒体
获得支持
技术培训
我要采购
代理授权
产品选型
产品选型网站
电工清单配置
开关面板DIY选型
真伪查询
资料中心
产品手册
产品视频
APP服务
常见问题FAQ
根据您的户型、装修风格和您的需要量身定制解决方案
开始定制
新闻中心
关于罗格朗
关于我们
罗格朗在全球
罗格朗中国
罗格朗历史
企业CSR
我们的品牌
BTicino
卡博菲
克莱沃
尊宝
力登
Server Technology
视得安
加入罗格朗
我们的品牌
BTicino
克莱沃
力登
卡博菲
视得安
联系我们
产品查询
搜索
手机端头部icon
面包屑
首页
服务支持
常见问题FAQ
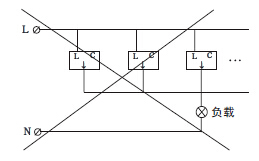
02型延时开关是否能实现多个开关控制一个负载
02型延时开关是否能实现多个开关控制一个负载
多个产品不能同时控制一个负载。(如下图)
返回到常见问题列表